Überblick
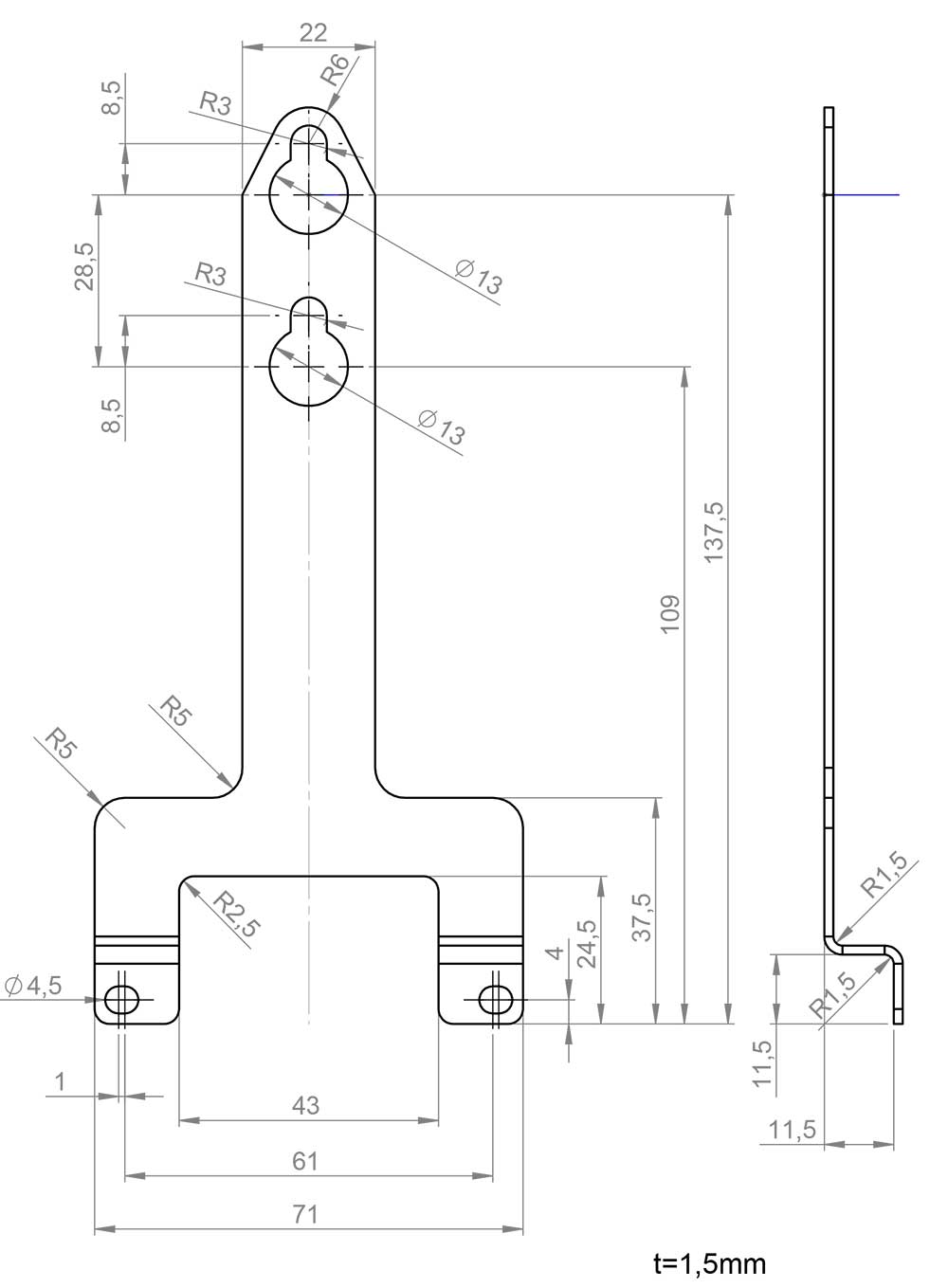
Trägerblech
Verlängerung für 3-Punkt Befestigung
Ausgleichstück für nicht genormte Zählerkreuze.
- Passgenau auf EasyM, alle Q3x und T3x EasyMeter Varianten
- Gesamtlänge 146 mm
- Ausführung ohne Hutschienenadapter
Dimensionen

