Überblick
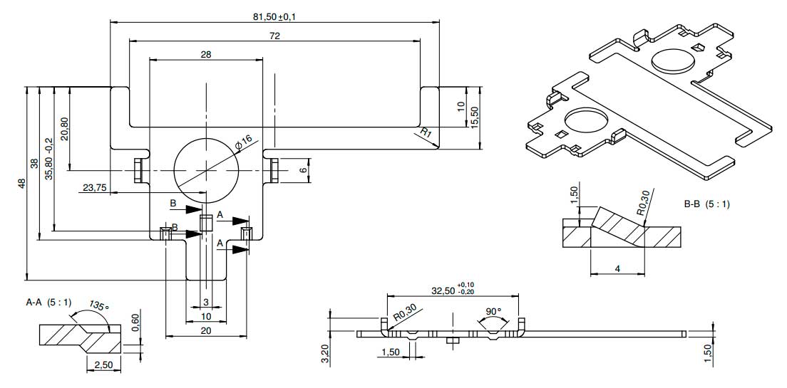
Tastkopfblech (MSB)
für Auslesekopf Durchmesser 32 mm
Zum einfachen Anbringen eines magnetischen Tastkopfes an der MSB-Schnittstelle. Wird am Gehäuse verklemmt, positioniert den Tastkopf exakt über der Schnittstelle.
- Passgenau auf alle EasyMeter Varianten
- Einfach steckbar auf das Zählergehäuse
- Besonders geeignet für magnetische Tastköpfe
Dimensionen

